3 Phase Induction Motor Speed Control Methods

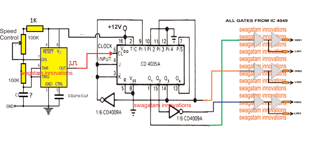
3 Phase Induction Motor Speed Controller Circuit Homemade

3 Phase Induction Motor Speed Controller Circuit Homemade

Direct Torque And Flux Control Of Three Phase Induction

Direct Torque And Flux Control Of Three Phase Induction

1 Starting Speed Control Of Motors

1 Starting Speed Control Of Motors


1 Starting Speed Control Of Motors
Speed Control Of Induction Motor Methods

Speed Control Of Induction Motor Methods

Vvvf Speed Control Of Induction Motor Electrical Concepts

Vvvf Speed Control Of Induction Motor Electrical Concepts

Pdf Speed Control Of Induction Motor Using Foc Method

Pdf Speed Control Of Induction Motor Using Foc Method

Speed Control Methods Of Various Types Of Speed Control Motors

Speed Control Methods Of Various Types Of Speed Control Motors

Ac Motor Control Stator Voltage Control Eeeguide Com

Ac Motor Control Stator Voltage Control Eeeguide Com

Pdf An Overview On Investigation Of Speed Control

Pdf An Overview On Investigation Of Speed Control

Pdf Performance Evaluation Of Three Phase Induction Motor

Pdf Performance Evaluation Of Three Phase Induction Motor

Starting And Speed Control Of 3 Phase Induction Motor

Starting And Speed Control Of 3 Phase Induction Motor

Speed Control Of Three Phase Induction Motor Using Ac

Speed Control Of Three Phase Induction Motor Using Ac

Solved A 4 Pole 3 Phase Star Connected Induction Motor

Solved A 4 Pole 3 Phase Star Connected Induction Motor

Speed Control Methods Of Various Types Of Speed Control Motors

Speed Control Methods Of Various Types Of Speed Control Motors

Speed Control Of Single Phase Induction Motor

Speed Control Of Single Phase Induction Motor

Comments

Popular posts from this blog

An Inductor Battery Resistance And Ammeter And Switch

300 Ohm Resistor Color

Arduino Induction Heater